
產品型號:W-5750P
產品名稱:?57福來輪 沖壓式滾輪流利條
>>說明
1.沖壓式滾輪流利條使用沖壓滾輪、福來輪、滾筒等,形式多樣。
2.滾輪直徑:?20~?57
3.可以根據客戶要求定做。
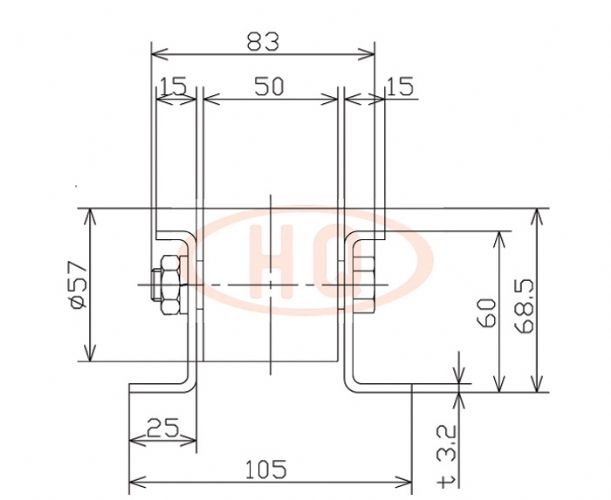
>>示意圖

>>仕樣表
(單位:mm)
型 號 | 福來輪尺寸 | 使用軸 |
W-5750P | 57×50×12.2×55 | M12 ×75L |
框架尺寸 | 機高 | 全 長 | 福來輪中心距 | 彎道半徑 | 單只福來輪承載(kg) | 參考 |
60×105×25×83×3.2 | 68.5 | 1,000?1,500 | 75?100 | - | 60 | 寬幅型 |