
產品型號: RA-4515
產品名稱:?45鋁制自由輸送機
滾筒使用鋁合金材料,自重輕,防銹性能好。適用于有特殊要求的場合。
>>說明
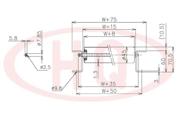
1.滾筒直徑:?45mm(壁厚1.5mm)
2.支架: 60mm槽型鋁材
3.幅寬: 100mm~500mm
4.承重量: max約80kg
>>仕様表
(単位 mm)
| 滾 筒 幅 寬 W (mm) | 100 | 200 | 300 | 400 | 500 | 600 | ||
| 滾筒承重強度 (kg) | 80 | 64 | 52 | 45 | 38 | 30 | ||
| 輸送機重量 3,000L (kg) | 50P | 14.0 | 18.7 | 23.5 | 28.2 | 33.0 | 37.0 | |
| 75P | 11.3 | 14.6 | 17.9 | 21.2 | 24.5 | 27.2 | ||
| 滾筒(含軸)重量 (g) | 133 | 205 | 277 | 349 | 421 | 493 | ||
| 型 號 | 滾筒外徑(φ)×壁厚(t) 軸承 | 軸外徑(φ)×壁厚(t) 加工 | 支架形狀I×K×t | 機 長 L | 滾筒幅寬 W | 滾筒間距 P | 轉彎半徑 R | |||||
| RA-4515 | 45×1.5 氧化鋁 沖壓軸承 | 8×1.2管 鍍鋅 半圓 | [ 60×30×3 氧化鋁 70.5 | 1000?1,500 2,000?3,000 | 100~600 50遞增 | 50?75 100 | 900 | |||||
>>示意圖



