
產品型號: JR-3823
產品名稱:?38樹脂制自由輸送機
滾筒和軸承均使用樹脂成形材料,自重輕,防銹性能好,轉動平穩。適用于有特殊要求的場合。
>>說明
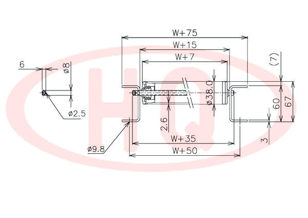
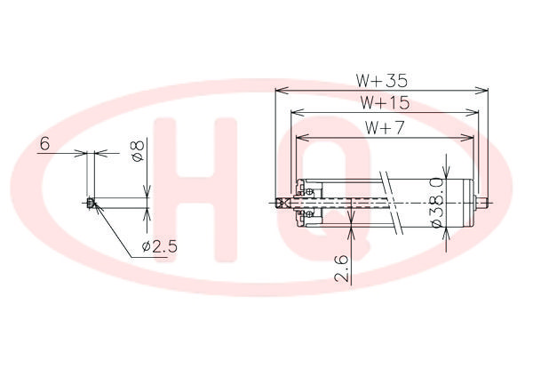
1.滾筒直徑:?38mm(壁厚2.6mm)
2.支架: 60mm槽型鋁材
3.幅寬: 100mm~1000mm
4.滾筒承重量: max約21kg
5.彈簧軸: ?8mm
>>仕様表
(単位 mm)
| 滾 筒 幅 寬 W (mm) | 100 | 200 | 300 | 400 | 500 | ||
| 滾筒承重強度 (kg) | 21.5 | 20.7 | 20 | 19.2 | 18.5 | ||
| 輸送機重量 3,000L (kg) | 50P | 11.4 | 15.1 | 18.7 | 22.4 | 26.1 | |
| 75P | 9.6 | 12.2 | 14.8 | 17.3 | 19.9 | ||
| 滾筒(含軸)重量 (g) | 90 | 144 | 198 | 252 | 306 | ||
| 型 號 | 滾筒外徑(φ)×壁厚(t) 軸承 | 軸外徑(φ)×壁厚(t) 加工 | 支架形狀I×K×t | 機 長 L | 滾筒幅寬 W | 滾筒間距 P | 轉彎半徑 R | |||||
| JR-3820B | 38×2.6 硬質氯乙烯橡膠 樹脂成形軸承 | 8×0.8管 SUS 半圓 | [ 60×30×3 氧化鋁 67 | 1000?1,500 2,000?3,000 | 100~500 任意尺寸 | 50?75 100?150 | 900 | |||||
>>示意圖


