

產品型號: φ38聚氨酯福來輪 W-3825PU系列
產品名稱:φ38聚氨酯福來輪 聚氨酯卷制輪 PU滾輪 φ38聚氨酯福來輪流利條
>>說明
1.聚氨酯橡膠流利條的滾輪使用聚氨酯橡膠為材料,內卷為切削式福來輪。
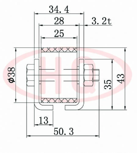
2.滾輪直徑:φ38,寬度:25,使用軸:M8
3.滾輪承載:50kg
4.可以根據客戶要求定做
>>示意圖
福來輪示意圖

流利條斷面圖

>>仕様表
(単位 mm)
型 號 | 福來輪尺寸 | 使用軸 |
W-3825PU | 38×25×8.2×28 | M8×48L |
框架形狀 | 機高 | 全 長 | 福來輪 | 回轉半徑 | 單滾輪承載強度(kg) | 備注 |
35×34.4×13×50.3×3.2 | 43 | 1,800?2,400 | 50?75 | 1,000 | 50 | 切削輪 |